15/02/18 ユピテル 50-H7修理


知り合いから 「無線機の電源が入らない」との話が合ったので、預かって動作を確認しました。

無線機は ユピテルの「50-H7」
外観はきれいですが、電極周辺に少々の緑青が見えます。
カバーを開けて 内部を見るも、ハンダ不良等は見当たりません。
いじり回しているうちに 電源線を切ってしまいました。
慌てて 電線を半田付け...
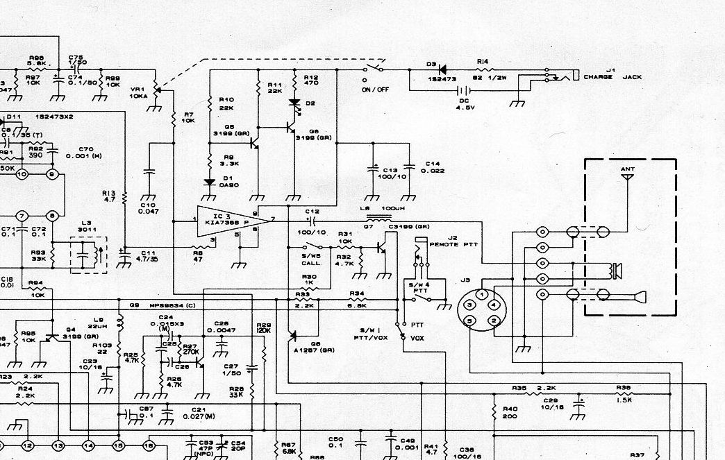
回路図を追って電圧を確認してみると、電源SWを抜けた所で 1V以上電圧降下していました。
接点復活剤を綿棒に付けて 電源SWの接触部分をクリーニングした所、正常に動作するようになりました。